Fräskurs

Aus Quartierwerkstatt Viktoria

Ablauf und Kursziele

Begrüssung & Einführung

  • Teilnehmerliste
  • Vorstellung der Kursleitung und Teilnehmende
  • Vorwissen abholen
  • Kursgeld einziehen (Twint oder bar), Mitglieder 20.-, andere 50.-
  • Zeitrahmen, Pause, Toilette
  • Rohlinge und Resultat zeigen

Kursziele

Wichtigstes Ziel: keine Verletzungen und keine Maschinenschäden!

Die Teilnehmenden:

  • kennen die grundlegenden Bestandteile und Funktionen einer Fräsmaschine
  • führen einfache Fräsarbeiten selbstständig durch
  • kennen die grundlegenden Werkzeuge und deren Anwendung
  • kennen und befolgen Vorsichtsmassnahmen: Schutzbrille, lange Kleider, Haare, lange Späne

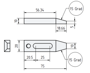
Werkstück

Wir produzieren eine Spannpratze. Masse sind nur Orientierungswerte.

Spannpratze

Lernschritte

Die Lernschritte bauen aufeinander auf.

Standardkonfiguration

  • Schraubstock entfernt; sauberer, trockener Frästisch
  • Winkelkopf montiert, Spindel senkrecht ausgerichtet
  • Fräser ausgespannt (Gefahr für Hände und Fräser)

Maschinenschraubstock, Spannmittel

  • Unterschiede und Einsatzzweck der verschiedenen Schraubstöcke
  • Alternatives Spannen mit Spannpratzen
  • Verfahrwege aufzeigen, relevant für Montageposition des Schraubstocks
  • Schraubstock an geeigneter Position montieren
  • Werkstück einspannen

Fräserauswahl

  • Walzenstirnfräser
  • Schaftfräser
  • Schrupp-/Schlichtfräser
  • Messerkopf (im Normalfall nicht verwenden)
  • Zentrumschneide zum Einstechen
  • Walzenstirnfräser einspannen

Frässtrategien, winklig Fräsen eines Quaders

  • Möglichst viel in einer einzigen Aufspannung bearbeiten
  • Sauberkeit und minimales Entgraten für exakte Arbeiten
  • Parallelunterlagen verwenden
  • Werkstück einspannen zum planfräsen

Planfräsen Fläche 1

  • Drehzahl berechnen
  • Drehzahl einstellen
  • Manueller Vorschub, Skala, verstellen des Skalenrings
  • 2 Achsen klemmen, nur 1 Achse ist in Bewegung
  • Kühlschmiermittel aktivieren
  • erste Fläche planfräsen

Planfräsen Flächen 2 und 3

  • Spannen mit Halbrundstab/Rundstab
  • Zuerst manueller Vorschub, um etwas Gefühl für die Kräfte zu kriegen
  • Schalten Vorschubgeschwindigkeit
  • Umstellen auf automatischen Vorschub (Hinweis auf Vorschubsperre und Gefahr des Diagonalbewegung!)

Fräsen Fläche 4 und Stirnseiten

  • Werkstück umspannen, dass Längs- und Stirnseite in einer Aufspannung bearbeitet werden können (seitlich überstehend)
  • Fläche 4 planfräsen
  • Umspannen auf Schaftfräser mit Spannzange
  • Gegen- und gleichlauffräsen erklären
  • Stirnseite 1 im Gegenlauf wälzfräsen
  • Werkstück drehen und Stirnseite 2 walzfräsen

Bohrungen für Nut

  • Erste Bohrung anzeichnen und Werkstück einspannen
  • Bohfutter einspannen
  • Pinolenklemmung zeigen
  • Position nach Auge anfahren (Hinweis auf Kantentaster/Zentrofix mit 500 rpm, mangels Zeit nicht durchfürhen)
  • 2 Bohrungen im Abstand von 25 mm machen (zentrieren, vorbohren, bohren)

Nut fräsen (je nach Zeit ev. nur erklären)

  • Nochmal Hinweis auf Fräser mit/ohne Zentrumsschnitt
  • Nutfräser einspannen und Nut fräsen

Keilform an Spannpratze anbringen (je nach Zeit abkürzen)

  • Fräskopf um 15 Grad drehen
  • Werkstück mit genügend Freiraum spannen
  • 3 Abschrägungen mit Walzenstirnfräser anbringen

Standardkonfiguration wiederherstellen

  • reinigen, trocknen
  • Fräskopf waagrecht ausrichten. Mit Puppitaster.
  • einölen