Drehkurs: Unterschied zwischen den Versionen
Werner (Diskussion | Beiträge) Keine Bearbeitungszusammenfassung |
Werner (Diskussion | Beiträge) |
||
| Zeile 21: | Zeile 21: | ||
=== Werkstück === | === Werkstück === | ||
[[Datei:Kreisel.jpg|links|mini|Kreisel]] | |||
Ausgangsstücke sind eine | |||
Sechskantschraube M10 und ein Alurohling. | |||
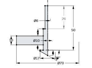
[[Datei:Zeichnung.jpg|ohne|mini|Zeichnung]] | |||
=== Spannen im Dreibackenfutter === | === Spannen im Dreibackenfutter === | ||
Version vom 27. November 2025, 15:32 Uhr
Ablauf
Begrüssung & Einführung
- Teilnehmerliste
- Vorstellung der Kursleitung und Teilnehmende
- Vorwissen abholen
- Kursgeld einziehen (Twint oder bar), Mitglieder 20.-, andere 50.-
- Zeitrahmen, Pause, Toilette
- Rohlinge und Resultat zeigen
Kursziele
Wichtigstes Ziel: keine Verletzungen und keine Maschinenschäden!
Die Teilnehmenden:
- kennen die grundlegenden Bestandteile und Funktionen einer Metalldrehbank
- führen einfache Dreharbeiten selbstständig durch
- kennen die grundlegenden Werkzeuge und deren Anwendung
- kennen und befolgen Vorsichtsmassnahmen: Schutzbrille, lange Kleider, Haare, lange Späne
Werkstück
Ausgangsstücke sind eine
Sechskantschraube M10 und ein Alurohling.
Spannen im Dreibackenfutter
Rohling im Dreibackenfutter einspannen - [ ] Alternative Futter und Planscheibe zeigen, Backenumkehr - [ ] Stahl wählen, Spitzenhöhe einstellen
>[!warning] Unfallgefahr: Schlüssel immer aus dem Futter entfernen
Theorieeinschub: Drehzahl und Schnittgeschwindigkeit
- [ ] Separate Unterlage erklären - [ ] Drehzahl berechnen
n = (Vc x 1000) / (d x Pi) , wobei n: Umdrehungen pro Minute / rpm [min-1] Vc: Schnittgeschwindigkeit [m/min] d: Durchmesser [mm]
Rotor spannen
- [ ] Drehzahl einstellen - [ ] Plandrehen, Fixierung Bettschlitten anwenden - [ ] Stahl wechseln, Spitzenhöhe kontrollieren - [ ] Längsdrehen - [ ] Anfasen
> [!warning] Vor Motorstart manuell prüfen, ob das Getriebe richtig eingerastet ist
> [!warning] Unfallgefahr bei Stangen die hinten aus der Spindel ragen
Rotor bohren, Innendrehen, Innengewinde schneiden
- [ ] Bohrfutter im Reitstock montieren - [ ] Zentrierbohrung machen - [ ] Vorbohren ca. d5 mm - [ ] Bohrung d8 mm - [ ] Innendrehstahl in korrekter Grösse einspannen - [ ] Innendrehen auf 8.4 mm (Kerndurchmesser M10); Alternative: Kernbohrer zeigen und verwenden - [ ] Ansenken - [ ] M10 Gewindebohrung machen mit losem Reitstock, gute Schmierung
> [!warning] Konus vor Benutzung reinigen
Rotor fertigstellen
- [ ] andere Seite spannen - [ ] Leitspindel (Gewindeschneiden) erklären, entkoppeln ist wichtig wegen Verschleiss - [ ] Zugspindel (Vorschub) erklären und automatischer Vorschub für Längs- und Plandrehen zeigen - [ ] Längsanschlag nutzen - [ ] Plandrehen auf Endmass - [ ] Längsdrehen auf Endmass
> [!warning] Spanhaken verhindert Schnittverletzungen
> [!warning] Leistungsgrenze der Maschine beachten bei grossem Durchmesser
Einsatz mitlaufende Spitze für Schraube
- [ ] Backen drehen auf kleinen Durchmesser - [ ] Schraube spannen - [ ] Zentrierbohrung für mitlaufende Spitze anbringen - [ ] Mitlaufende Spitze montieren - [ ] Reitstock korrekt fixieren und Schraube spitz spannen - [ ] Automatischer Vorschub erklären, einstellen, Anschlag festsetzen - [ ] Gewinde abdrehen auf D 5mm - [ ] Hinweis auf Lünette als Alternative zur mitlaufenden Spitze
> [!warning] Reihenfolge bei Backenumkehr beachten
> [!warning] Reitstock gelegentlich nachziehen
Verwendung Spannzange
- [ ] Futter lösen, reinigen und korrekt versorgen - [ ] Spannzange in korrekter Grösse montieren - [ ] Schraube spannen - [ ] Oberschlitten auf 60 Grad einstellen - [ ] Kegel an Schraubenkopf drehen - [ ] Polieren mit Schleifband, auf korrekte Handhabung achten
> [!warning] Spannzangen in korrekter Grösse wählen, ansonsten Zerstörungsgefahr
> [!warning] Korrekte Handhabung des Schleifpapiers verhindert Unfälle
Abstechen
- [ ] Spannzange wechseln auf korrekte Grösse - [ ] Mutter wenden und spannen - [ ] Abstechen
Abschluss
- [ ] Check, ob alle Punkte durchgearbeitet sind - [ ] Plandrehen - [ ] Längsdrehen - [ ] Innendrehen - [ ] Bohren - [ ] Gewinde bohren - [ ] Abstechen - [ ] automatischer Vorschub - [ ] verschieden Spannarten - [ ] Fragen/Diskussion? - [ ] Feedback der Teilnehmenden einholen: Was hat gepasst? Wünsche? Kritik? - [ ] Aufräumen und reinigen - Spänekiste - Lappendepot - Trocknen und Gleitbahn leicht einölen - Werkzeug einräumen - Protokoll ausfüllen - [ ] Schluss 21:00